规格:
服务:
常见问题:
跟销售索要产品外形图 ,价格根据配置定
产品特点:
·多行程可选
分辨率5um(-HR型为1um),重复定位精度优于0.5um
·适用于1x1010mBar
标品采用超高压预制铝结构,不锈钢结构可选-SS 型
最高耐受温度可达150°C(-SS型为200°C)
标配 AMLD35.1 步进电机,可选择配置限位开关和编码器
提供高分辨率、抗辐射和干润滑版本
·可根据具体要求进行定制
产品参数:
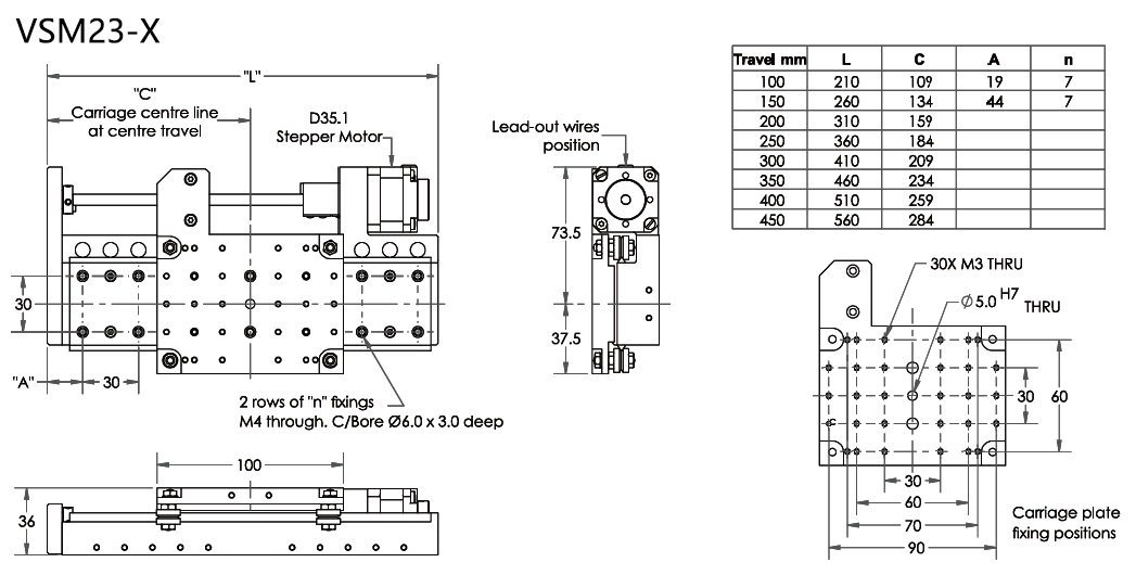
| 规格 | VSM23-X | -HR型 |
| 行程(mm) | 100/150/200/250/300/350/400 | |
| 分辨率 | 5 μ m | 1 μ m |
| 最大速度 | 25mm/s | 5mm/s |
| 双向重复定位精度 | 士0.45μm | |
| 水平中心负载 | 20 kg | |
| 最大负载力矩 | 10 Nm | |
| 竖直负载 @500 Hz/s 1000 Hz1A/ 相 | 10 kg | |
| 背隙 | ±1 μm | |
| 翻转 & 俯仰 | ±40 urad | |
| 力矩刚性-翻转& 俯仰 | 285 u rad/Nm | |
| 导程精度 | 0.027/100 mm | |
| 步进电机 | AML D35.1 | |
| 真空度 | 1x10^(-10)mBar | |
| 最高耐受温度 | 150℃(选项SS为200℃) (安装光学编码器时降至 120℃) | |
| 平均无故障时间 | 15000小时(5 kg 负载和 30% 工作循环) | |
| 每 100 mm 行程质量 | 1.3kg | 1.6kg |
| 每 50 mm 行程增加质量 | 0.25kg | 0.25kg |
产品尺寸:




注意事项:
我们很高兴你能和我们合作。为了节省你的时间,在选择产品时,请查看参数或与我们的销售沟通,避免你购买的产品,因参数与你的使用要求不一致,耽误你的工期进度。我们再次感谢你的支持。








